Universal Power Supply Circuit Diagram

Universal power supply circuit diagram Indeed recently is being hunted by consumers around us, maybe one of you personally. Individuals are now accustomed to using the net in gadgets to view video and image information for inspiration, and according to the name of this article I will talk about about Universal Power Supply Circuit Diagram.

Universal Power Supply Circuit

Universal Power Supply Circuit

Universal Power Supply Module 3v 30v Power Supply Circuits

Universal Power Supply Module 3v 30v Power Supply Circuits

Universal Digital Power Supply Circuit Power Supply Based Projects

Universal Digital Power Supply Circuit Power Supply Based Projects

Universal Digital Power Supply Circuit Power Supply Based Projects

If you re searching for Universal Power Supply Circuit Diagram you've reached the ideal place. We ve got 104 images about universal power supply circuit diagram adding images, photos, pictures, backgrounds, and more. In these webpage, we additionally have number of graphics out there. Such as png, jpg, animated gifs, pic art, logo, blackandwhite, transparent, etc.

Universal Switching Power Supply For Tv Power Supply Power Universal

Universal Switching Power Supply For Tv Power Supply Power Universal

Universal Power Supply Power Supply Circuits

Universal Power Supply Power Supply Circuits

Lm324 Variable Power Supply Circuit Homemade Circuit Projects

Lm324 Variable Power Supply Circuit Homemade Circuit Projects

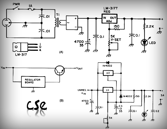
Universal Power Supply Circuit With Ic Lm317 Subwoofer Bass Amplifier

Universal Power Supply Circuit With Ic Lm317 Subwoofer Bass Amplifier

Constructing A Universal Power Supply Using Lm317 Electronic Circuit Diagrams Schematics Power Supply Circuit Circuit Power Supply

Constructing A Universal Power Supply Using Lm317 Electronic Circuit Diagrams Schematics Power Supply Circuit Circuit Power Supply

How To Make Variable Power Supply Circuit With Digital Control

How To Make Variable Power Supply Circuit With Digital Control

High Efficiency 70w Universal Switching Power Supply Module Circuit Diagram Switching Regulator Circuit Power Supply Circuit Circuit Diagram Seekic Com

High Efficiency 70w Universal Switching Power Supply Module Circuit Diagram Switching Regulator Circuit Power Supply Circuit Circuit Diagram Seekic Com

Power Supply Page 3 Power Supply Circuits Next Gr

Power Supply Page 3 Power Supply Circuits Next Gr

0 1v To 50v Variable Power Supply

0 1v To 50v Variable Power Supply

Universal Power Supply Detailed Project Available Power Supply Circuit Power Supply Power

Universal Power Supply Detailed Project Available Power Supply Circuit Power Supply Power

Variable Switching Power Supply Power Supply Based Projects

Variable Switching Power Supply Power Supply Based Projects

Adjustable 1 To 25 Volt Dc Power Supplies Circuit Schematic Diagram And Plans Bright Hub Engineering

Adjustable 1 To 25 Volt Dc Power Supplies Circuit Schematic Diagram And Plans Bright Hub Engineering

How To Make Variable Power Supply Circuit With Digital Control

How To Make Variable Power Supply Circuit With Digital Control

Universal Switching Power Supply For Tv

Universal Switching Power Supply For Tv

Universal Switching Power Supply For Tv Electronic Circuit

Universal Switching Power Supply For Tv Electronic Circuit

Universal Power Supply

Universal Power Supply

Universal Input Mean Well Direct

Universal Input Mean Well Direct

If the posting of this web site is beneficial to your suport by revealing article posts of the site to social media marketing accounts to have such as for example Facebook, Instagram and others or may also bookmark this website page using the title Universal Regulated Power Supply Circuit Diagram Power Supply Circuits Fixed Power Supply Circuit Circuit Diagram Seekic Com Employ Ctrl + D for laptop or computer devices with Home windows operating-system or Command line + D for laptop or computer devices with operating system from Apple. If you use a smartphone, you can also utilize the drawer menu of the browser you utilize. Whether its a Windows, Macintosh personal computer, iOs or Android operating system, you'll still be in a position to download images utilizing the download button.

Source : pinterest.com